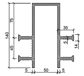
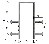
Гидрошпонка
1 588 руб./пог
751 руб./пог
560 руб./пог
2 365 руб./пог
1 436 руб./пог
1 244 руб./пог
1 244 руб./пог
2 081 руб./пог
872 руб./пог
1 417 руб./пог
















































































